Impulzus csavarbehajtók







Main Advantages


1 - No torque Reaction

Thanks to the DOGA Pulse Tools, you can now fasten at 210Nm without torque reaction. This means less injuries and absenteeism cost.
Operators are working easily and your production rate is improved.


2 - Ergonomic Design

DOGA Pulse Tools are specially designed to be used all-day long. That is why our tools are so light-weight. Operators can work their shift and still feel good at the end of the day. Vibrations and noise are greatly reduced. Comfortable rubberized non-slip grips for easy handling and excellent thermal ergonomics. They make you save money and have constant workers on your production lines.


3 - Higher Productivity

Thanks to our double chamber air motor, your production rate will keep on increasing. DOGA Pulse Tools technology provides you with the best accuracy/production speed you ever had.

Double-Chamber Motor
A smart design of a dual air motor for impulse wrenches. The double chamber air motor reaches the required torque quickly which increases work efficiency.


4 - Increased speed

DOGA Pulse Tools are turning very fast. With a speed up to 7200rpm, your process has never been so fast. It increases your production rate and you are able to produce much more.
In addition, the automatic Shut-Off shortens the cycle time.


5 - Accuracy

DOGA Pulse Tools have one of the best accuracy and repeatability of the market. All our tools are autoshut-off and stop at the required torques. Moreover, specially designed pulse fluid extends life between oil changes and provides better torque stability. Thanks to them, you will decrease your non quality costs and save a lot of time refastening your parts.


ERGONOMIC + FAST + ACCURATE = DOGA PULSE TOOLS




Tools


3/8" Impulse Wrenches - Pistol Type

DPTS-40 / DPTS-50 / DPTS-60 / DPTS-70


Benefits:

  • Operator comfort: light weight and well balanced, compact, full ergonomic design, no torque reaction
  • Productivity: high rotation speed, automatic shut-off, high power/weight ratio
  • Quality: no over-shooting, constant torque accuracy
  • Adaptability: suitable for every fastening positions and process
Model SQ Drive Bolt Capacity Torque Range (Nm) Free Speed Weight (Kg) Length (mm) Noise Level (dB(A)) Average Air Consumption (l/s) Hose Size (mm) Code
5 bars 6 bars 5 bars 6 bars
DPTS-40 3/8" M5-M6 11~21 12~22 4100 4400 0,9 167 78 4,2 6,5 1080008
DPTS-50 3/8" M6-M8 14~29 16~31 6800 7200 0,9 167 80 5,8 6,5 1080009
DPTS-60 3/8" M8 19~36 21~39 5900 6200 0,97 178 82 6,7 8 1080010
DPTS-70 3/8" M8-M10 34~46 37~64 6900 7200 1,33 192 82 7,5 8 1080011

1/2" & 3/4" Impulse Wrenches - Pistol Type

DPTS-90 / DPTS-130 / DPTS-100 / DPTS-150


Benefits:

  • Operator comfort: light weight and well balanced, compact, full ergonomic design, no torque reaction
  • Productivity: high rotation speed, automatic shut-off, high power/weight ratio
  • Quality: no over-shooting, constant torque accuracy
  • Adaptability: suitable for every fastening positions and process
Model SQ Drive Bolt Capacity Torque Range (Nm) Free Speed Weight (Kg) Length (mm) Noise Level (dB(A)) Average Air Consumption (l/s) Hose Size (mm) Code
5 bars 6 bars 5 bars 6 bars
DPTS-90 1/2" M10-M12 57~96 64~104 5000 5400 1,53 200 83 8,8 8 1080012
DPTS-100 1/2" M10-M12 75~100 85~125 5000 5300 1,87 209 84 9,2 8 1080013
DPTS-130 1/2" M12-M14 101~136 110~145 3300 3600 2,26 216 86 12,2 11 1080014
DPTS-150 3/4" M16 130~186 148~205 3500 3700 3,05 238 86 12,2 11 NC

Impulse Screwdrivers - Pistol Type

DPTS-30HD / DPTS-40HD / DPTS-50HD / DPTS-60HD


Benefits:

  • Operator comfort: light weight and well balanced, compact, full ergonomic design, no torque reaction
  • Productivity: high rotation speed, automatic shut-off, high power/weight ratio
  • Quality: no over-shooting, constant torque accuracy
  • Adaptability: suitable for every fastening positions and process
Model SQ Drive Bolt Capacity Torque Range (Nm) Free Speed Weight (Kg) Length (mm) Noise Level (dB(A)) Average Air Consumption (l/s) Hose Size (mm) Code
5 bars 6 bars 5 bars 6 bars
DPTS-30HD 1/4" M5 6~13 7~15 4100 4400 0,89 170 78 4,2 6,5 1080021
DPTS-40HD 1/4" M5-M6 10~20 11~21 4100 4400 0,92 170 78 4,2 6,5 1080022
DPTS-50HD 1/4" M6-M8 13~28 15~31 6800 7200 0,92 170 80 5,8 6,5 1080023
DPTS-60HD 1/4" M8 17~30 19~33 5900 6200 1 181 82 6,7 8 1080024

3/8" Impulse Wrenches - Straight Type

DPTS-40S / DPTS-50S / DPTS-60S / DPTS-70S


Benefits:

  • Operator comfort: light weight and well balanced, compact, full ergonomic design, no torque reaction
  • Productivity: high rotation speed, automatic shut-off, high power/weight ratio
  • Quality: no over-shooting, constant torque accuracy
  • Ideal for every vertical process
Model SQ Drive Bolt Capacity Torque Range (Nm) Free Speed Weight (Kg) Length (mm) Noise Level (dB(A)) Average Air Consumption (l/s) Hose Size (mm) Code
5 bars 6 bars 5 bars 6 bars
DPTS-40S 3/8" M5-M6 13~20 14~22 3900 4200 0,8 220 78 4,2 6,5 1080031
DPTS-50S 3/8" M5-M8 17~29 19~31 6900 7200 0,8 220 80 5,8 6,5 1080032
DPTS-60S 3/8" M8 26~39 28~40 5700 6000 0,86 231 80 6,7 8 1080033
DPTS-70S 3/8" M8-M10 37~48 40~54 4700 5000 0,97 242 80 6,7 8 1080034

Impulse Screwdrivers - Straight Type

DPTS-30SHD / DPTS-40SHD / DPTS-50SHD / DPTS-60SHD


Benefits:

  • Operator comfort: light weight and well balanced, compact, full ergonomic design, no torque reaction
  • Productivity: high rotation speed, automatic shut-off, high power/weight ratio
  • Quality: no over-shooting, constant torque accuracy
  • Ideal for every vertical process
Model SQ Drive Bolt Capacity Torque Range (Nm) Free Speed Weight (Kg) Length (mm) Noise Level (dB(A)) Average Air Consumption (l/s) Hose Size (mm) Code
5 bars 6 bars 5 bars 6 bars
DPTS-30SHD 1/4" M5 6~12 7~13 3900 4200 0,77 223 78 4,2 6,5 1080040
DPTS-40SHD 1/4" M5-M6 11~18 11~19 3900 4200 0,8 223 78 4,2 6,5 1080041
DPTS-50SHD 1/4" M6-M8 15~25 17~28 6900 7200 0,8 223 80 5,8 6,5 1080042
DPTS-60SHD 1/4" M8 22~30 23~32 5700 6000 0,86 234 80 6,7 8 1080043

Impulse Wrenches - Angle Head

DPTS-50RA / DPTS-70RA / DPTS-70RALS / DPTS-70RA1/2


Benefits:

  • Operator comfort: light weight and well balanced, compact, full ergonomic design, no torque reaction
  • Productivity: high rotation speed, automatic shut-off, high power/weight ratio
  • Quality: no over-shooting, constant torque accuracy
  • Ergonomics: ideal for spaceless location
Model SQ Drive Bolt Capacity Torque Range (Nm) Free Speed Weight (Kg) Length (mm) Noise Level (dB(A)) Average Air Consumption (l/s) Hose Size (mm) Code
5 bars 6 bars 5 bars 6 bars
DPTS-50RA 3/8" M6 9,5~15 10,5~17 5100 5400 1,2 253 80 5,3 6,5 1080048
DPTS-60RA 3/8" M6-M8 14~22 15~24 4400 4700 1,3 264 80 6,7 8 1080049
DPTS-70RA 3/8" M8 20~29 22~31 4200 4500 1,4 272 80 6,7 8 1080050
DPTS-70RALS 3/8" M8-M10 30~43 32~45 3200 3400 1,6 282 82 6,7 8 1080051
DPTS-70RA1/2 1/2" M10 40~55 46~60 2000 2200 1,6 282 82 6,7 8 NC

Impulse Screwdrivers - Angle Head

DPTS-50RAHD / DPTS-60RAHD / DPTS-70RAHD


Benefits:

  • Operator comfort: light weight and well balanced, compact, full ergonomic design, no torque reaction
  • Productivity: high rotation speed, automatic shut-off, high power/weight ratio
  • Quality: no over-shooting, constant torque accuracy
  • Reach every difficult access screw
Model SQ Drive Bolt Capacity Torque Range (Nm) Free Speed Weight (Kg) Length (mm) Noise Level (dB(A)) Average Air Consumption (l/s) Hose Size (mm) Code
5 bars 6 bars 5 bars 6 bars
DPTS-50RAHD 1/4" M6 8,5~14 9,5~16 5100 5400 1,2 253 80 5,3 6,5 1080055
DPTS-60RAHD 1/4" M6-M8 12,5~20 13,5~22 4400 4700 1,3 264 80 6,7 8 1080056
DPTS-70RAHD 1/4" M8 18~26 20~29 4200 4500 1,4 272 80 6,7 8 1080057


Accessories


Sleeve Drive Impact Sockets


Use impact sockets to:

  • Use your tool at 100% - Impact sockets increase torque transfer during pulsing stage.
  • Increase your productivity – Decrease the pulsing stage duration.
  • Ensure operator safety – Virtually no vibration to the operator.
  • Increase socket life – Reduce wear on sockets.
  • Increase tool life – Reduced vibration applied on your tool.


A


B


C


Long
Normal
Torx® - Exter

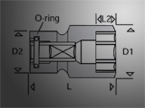
Code A F (mm) Design D1 (mm) D2 (mm) L (mm) L2 (mm)
DO60910010 10 A 16 19 43 8
DO60910011 11 A 17,5 19 43 9
DO60910012 12 B 19 19 43 9
DO60910013 13 A 20 22 43 9
DO60910014 14 A 21 22 43 9
DO60910015 15 B 22 22 43 11
DO60910016 16 C 24 22 43 11
DO60910017 17 C 25 22 43 11
DO60910018 18 C 26 22 43 11
DO60910019 19 C 27,5 22 43 11
DO60910020 20 C 30 22 43 13

Long
Normal
Torx® - Exter

Code A F (mm) Design D1 (mm) D2 (mm) L (mm) L2 (mm)
DO60920012 12 A 20 25 52 12
DO60920013 13 A 21 25 52 12
DO60920014 14 A 22,5 25 52 12
DO60920015 15 A 23,7 30 52 12
DO60920016 16 A 25 30 52 12
DO60920017 17 A 26 30 52 12
DO60920018 18 A 27,5 30 52 12
DO60920019 19 A 28,7 30 52 12
DO60920021 21 B 30 30 52 12
DO60920022 22 C 32 30 52 12
DO60920023 23 C 32 30 52 12
DO60920024 24 C 35 30 52 12
DO60920025 25 C 36 30 57 12
DO60920027 27 C 39 30 57 12
DO60920030 30 C 42 30 62 12
DO60920032 32 C 42 30 62 12

 
The page can not be displayed correctly if you use Internet Explorer!

© copyright 2013 Al-Bohacen Kft.